Мы используем cookie для наилучшего представления нашего сайта. Подробнее об этом в Политике конфиденциальности.
Ок

Комсомольск-на-Амуре

Ваш город:
Комсомольск-на-Амуре (Хабаровский край)?
Нет
Да
Каталог
Каталог Написать в WhatsApp
Мотоэкипировка

Система управления (часть 2) 2-Х ТАКТНОГО ПЛМ TITAN TP30AMHS

Система управления (часть 2) 2-Х ТАКТНОГО ПЛМ TITAN TP30AMHS в Комсомольске-на-Амуре: актуальный каталог, цены, фото, описание. Купите система управления (часть 2) 2-х тактного плм titan tp30amhs в кредит – оформите заявку онлайн за 1 минуту!

Оригинальные запчасти

Артикул НАИМЕНОВАНИЕ Кол-во деталей в узле Примечание Наличие Цена Аналоги Фото
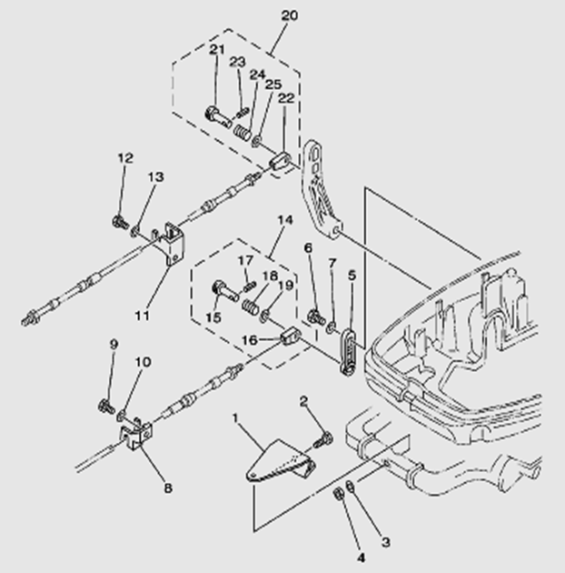
1 372-13049W Кронштейн крепления рулевой тяги Т30EР

Под заказ

N/A

Под заказ

уточнить

1 560

Купить
2 372-13050W Болт

Под заказ

N/A

Под заказ

уточнить

Купить
3 372-13051W Шайба

Под заказ

N/A

Под заказ

уточнить

Купить
4 372-13052W Гайка самоконтрящаяся

Под заказ

N/A

Под заказ

уточнить

Купить
5 372-13053W Рычаг управление дроссельной заслонкой

Под заказ

N/A

Под заказ

уточнить

Купить
6 372-13054/55W Болт с шайбой

Под заказ

N/A

Под заказ

уточнить

Купить
7 372-13056W Кронштейн крепления троса газа

Под заказ

N/A

Под заказ

уточнить

Купить
8 372-13057/58W Болт с шайбой

Под заказ

N/A

Под заказ

уточнить

Купить
9 372-13059W Кронштейн крепления троса ДУ1

Под заказ

N/A

Под заказ

уточнить

Купить
10 372-13060/61W Болт с шайбой

Под заказ

N/A

Под заказ

уточнить

Купить
11 372-13062W Набор для поключения троса реверса

Под заказ

N/A

Под заказ

уточнить

Купить
12 372-13063W Штифт подсоединения троса ДУ2

Под заказ

N/A

Под заказ

уточнить

Купить
13 372-13064W Наконечник троса ДУ2

Под заказ

N/A

Под заказ

уточнить

Купить
14 372-13065W Штифт

Под заказ

N/A

Под заказ

уточнить

Купить
15 372-13066W Пружина

Под заказ

N/A

Под заказ

уточнить

Купить
16 372-11009 Шайба

Под заказ

N/A

Под заказ

уточнить

Купить
17 372-13068W Набор для подключения троса ДУ1

Под заказ

N/A

Под заказ

уточнить

Купить
18 372-13069W Штифт подсоединения троса ДУ1

Под заказ

N/A

Под заказ

уточнить

Купить
19 372-13070W Наконечник троса ДУ1

Под заказ

N/A

Под заказ

уточнить

Купить
20 372-13072W Пружина

Под заказ

N/A

Под заказ

уточнить

Купить

Нулевая цена не означает отсутствие товара. Оформите заказ, и менеджер сообщит вам цену и наличие товара, предварительно запросив их у поставщика

Главная Магазины
Корзина0
Профиль