Мы используем cookie для наилучшего представления нашего сайта. Подробнее об этом в Политике конфиденциальности.
Ок

Комсомольск-на-Амуре

Ваш город:
Комсомольск-на-Амуре (Хабаровский край)?
Нет
Да
Каталог
Каталог Написать в WhatsApp
Мотоэкипировка

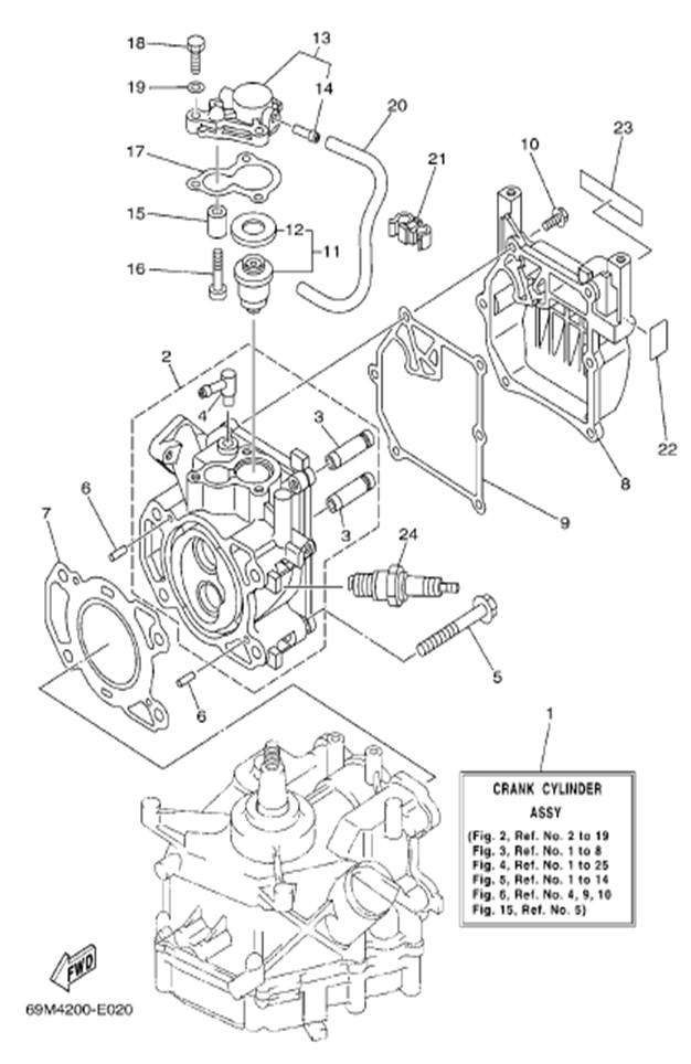
Запчасти для 4-х тактного ПЛМ SEA-PRO F2.5P

Запчасти для 4-х тактного ПЛМ SEA-PRO F2.5P в Комсомольске-на-Амуре: актуальный каталог, цены, фото, описание. Купите запчасти для 4-х тактного плм sea-pro f2.5p в кредит – оформите заявку онлайн за 1 минуту!
Для ускорения поиска, Ты можешь ввести здесь часть названия детали, например «Поршень»

On-line каталоги

Главная Магазины
Корзина0
Профиль