Мы используем cookie для наилучшего представления нашего сайта. Подробнее об этом в Политике конфиденциальности.
Ок

Комсомольск-на-Амуре

Ваш город:
Комсомольск-на-Амуре (Хабаровский край)?
Нет
Да
Каталог
Каталог Написать в WhatsApp
Мотоэкипировка

Катушка, USA-0T980000 thru 1B226999 4-Х ТАКТНОГО ПЛМ MERCURY 60 Серийный номер от 0P153500 до 0P400999

Катушка, USA-0T980000 thru 1B226999 4-Х ТАКТНОГО ПЛМ MERCURY 60 Серийный номер от 0P153500 до 0P400999 в Комсомольске-на-Амуре: актуальный каталог, цены, фото, описание. Купите катушка, usa-0t980000 thru 1b226999 4-х тактного плм mercury 60 серийный номер от 0p153500 до 0p400999 в кредит – оформите заявку онлайн за 1 минуту!

Оригинальные запчасти

Артикул НАИМЕНОВАНИЕ Кол-во деталей в узле Примечание Наличие Цена Аналоги Фото
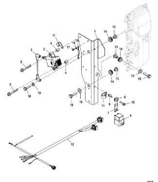
1 892869T PLATE, Coil

Под заказ

1

Под заказ

уточнить

Купить
2 881908T Бронепровода (CABLE SET)

Под заказ

4

Под заказ

уточнить

Купить
3 892863001 SPACER

Под заказ

8

Под заказ

уточнить

Купить
4 82129145 SCREW, (M6 x 45)

Под заказ

8

Под заказ

уточнить

Купить
5 882751A1 Реле (RELAY ASSY-TRIM )

Под заказ

3

Под заказ

уточнить

Купить
6 828102 BRACKET, Mounting

Под заказ

3

Под заказ

уточнить

Купить
7 818967 Уплотнитель (GROMMET)

Под заказ

3

Под заказ

уточнить

Купить
8 818968 Втулка (BUSHING)

Под заказ

3

Под заказ

уточнить

Купить
9 82129125 Болт (SCREW)

Под заказ

3

Под заказ

уточнить

Купить
10 55098 CLAMP, WIRING HARNESS

Под заказ

2

Под заказ

уточнить

Купить
11 826802T31 HARNESS, Trim

Под заказ

1

Под заказ

уточнить

Купить
12 856954 Втулка (BUSHING)

Под заказ

3

Под заказ

уточнить

Купить
13 834985 Втулка (GROMMET)

Под заказ

3

Под заказ

уточнить

Купить
14 858414A3 CABLE ASSEMBLY

Под заказ

1

Под заказ

уточнить

Купить
15 29245 Шайба (WASHER @10)

Под заказ

1

Под заказ

уточнить

Купить
16 82129114 Болт (SCREW)

Под заказ

1

Под заказ

уточнить

Купить
17 4002316 Шайба (WASHER@5)

Под заказ

3

Под заказ

уточнить

Купить

Нулевая цена не означает отсутствие товара. Оформите заказ, и менеджер сообщит вам цену и наличие товара, предварительно запросив их у поставщика

Главная Магазины
Корзина0
Профиль