Мы используем cookie для наилучшего представления нашего сайта. Подробнее об этом в Политике конфиденциальности.
Ок

Комсомольск-на-Амуре

Ваш город:
Комсомольск-на-Амуре (Хабаровский край)?
Нет
Да
Каталог
Каталог Написать в WhatsApp
Мотоэкипировка

Рукоятка рулевого управления 4-Х ТАКТНОГО ПЛМ MERCURY 50 Серийный номер от 1C000001 до 1C050251

Рукоятка рулевого управления 4-Х ТАКТНОГО ПЛМ MERCURY 50 Серийный номер от 1C000001 до 1C050251 в Комсомольске-на-Амуре: актуальный каталог, цены, фото, описание. Купите рукоятка рулевого управления 4-х тактного плм mercury 50 серийный номер от 1c000001 до 1c050251 в кредит – оформите заявку онлайн за 1 минуту!

Оригинальные запчасти

Артикул НАИМЕНОВАНИЕ Кол-во деталей в узле Примечание Наличие Цена Аналоги Фото
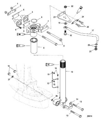
1 896963 Гайка (NUT)

Под заказ

2

Под заказ

уточнить

Купить
2 893773002 STRAP, Upper Mount

Под заказ

1

Под заказ

уточнить

Купить
3 893655T Амортизатор верх. (MOUNT, Upper)

Под заказ

2

Под заказ

уточнить

Купить
4 826658 Пластина аммортизатора (BUMPER)

Под заказ

1

Под заказ

уточнить

Купить
5 89531 Стопор (RETAINING RING, BALL BEARING)

Под заказ

1

Под заказ

уточнить

Купить
6 8M0118183 ARM-STEERING

Под заказ

1

Под заказ

уточнить

Купить
7 898835001 SCREW, (M12 x 154)

Под заказ

2

Под заказ

уточнить

Купить
8 8279971 SPACER

Под заказ

1

Под заказ

уточнить

Купить
9 893590T04 Поворотная ось (SWIVEL TUBE ASSY)

Под заказ

1

Под заказ

уточнить

Купить
10 88238A4 GROUND STRAP (3-3/8")

Под заказ

1

Под заказ

уточнить

Купить
11 88238A13 Кабель (CABLE ASSEMBLY, Ground)

Под заказ

1

Под заказ

уточнить

Купить
12 823567105 SCREW

Под заказ

2

Под заказ

уточнить

Купить
13 893703 STRAP, Lower Mount

Под заказ

1

Под заказ

уточнить

Купить
14 878607 SCREW, (#10-16 x .375)

Под заказ

3

Под заказ

уточнить

Купить
15 40140 Гайка М10 (NUT @2)

Под заказ

2

Под заказ

уточнить

Купить
16 19608A14 Рулевой комплект (Steering kit)

Под заказ

1

Под заказ

уточнить

Купить
17 823919 Болт (SCREW@5)

Под заказ

1

Под заказ

уточнить

Купить
18 71970 Шайба (WASHER)

Под заказ

1

Под заказ

уточнить

Купить
19 37828 Шайба (WASHER)

Под заказ

2

Под заказ

уточнить

Купить
20 826709113 Гайка (NUT-.375-24 NYL I)

Под заказ

1

Под заказ

уточнить

Купить
21 816667A2 Кронштейн для подключения рулевой тяги 2-х тактных моторов Mercury/Mariner 40-60 л.с. и 4-х тактных

Под заказ

1

Под заказ

уточнить

3 000

Купить
22 8M0009820 Шайба-проставка (TAB WASHER)

Под заказ

1

Под заказ

уточнить

Купить
23 4000377 Болт (SCREW)

Под заказ

2

Под заказ

уточнить

Купить
24 45176 Шайба (WASHER, GEAR HOUSING STUDS)

Под заказ

2

Под заказ

уточнить

Купить
25 8M0103829 Болт (SCREW)

Под заказ

2

Под заказ

уточнить

Купить

Нулевая цена не означает отсутствие товара. Оформите заказ, и менеджер сообщит вам цену и наличие товара, предварительно запросив их у поставщика

Главная Магазины
Корзина0
Профиль