Мы используем cookie для наилучшего представления нашего сайта. Подробнее об этом в Политике конфиденциальности.
Ок

Комсомольск-на-Амуре

Ваш город:
Комсомольск-на-Амуре (Хабаровский край)?
Нет
Да
Каталог
Каталог Написать в WhatsApp
Мотоэкипировка

Впускные / выпускные клапаны 4-Х ТАКТНОГО ПЛМ MERCURY 4 Серийный номер от 0R067090 и выше

Впускные / выпускные клапаны 4-Х ТАКТНОГО ПЛМ MERCURY 4 Серийный номер от 0R067090 и выше в Комсомольске-на-Амуре: актуальный каталог, цены, фото, описание. Купите впускные / выпускные клапаны 4-х тактного плм mercury 4 серийный номер от 0r067090 и выше в кредит – оформите заявку онлайн за 1 минуту!

Оригинальные запчасти

Артикул НАИМЕНОВАНИЕ Кол-во деталей в узле Примечание Наличие Цена Аналоги Фото
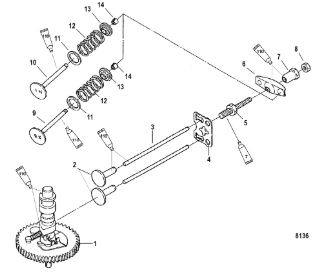
1 803545T03 Распредвал (CAMSHAFT)

Под заказ

1

Под заказ

уточнить

Купить
2 803546 Толкатель (LIFTER)

Под заказ

2

Под заказ

уточнить

Купить
3 803547 Толкатель(PUSH ROD)

Под заказ

2

Под заказ

уточнить

Купить
4 803548 Плата (PLATE)

Под заказ

1

Под заказ

уточнить

Купить
5 8035097 BOLT

Под заказ

2

Под заказ

уточнить

Купить
6 803549 *** Рычаг клапана (ARM-ROCKER)

Под заказ

2

Под заказ

уточнить

Купить
7 803550 Регулировочный болт (PIVOT)

Под заказ

2

Под заказ

уточнить

Купить
8 803551 NUT

Под заказ

2

Под заказ

уточнить

Купить
9 8M0056316 Выпускной клапан (EXHAUST VALVE)

Под заказ

1

Под заказ

уточнить

Купить
10 803552T *** Впускной клапан (VALVE-INLET)

Под заказ

1

Под заказ

уточнить

Купить
11 803555 Стопор (RETAINER)

Под заказ

2

Под заказ

уточнить

Купить
12 803556 Сухарь (VALVE KEEPER)

Под заказ

4

Под заказ

уточнить

Купить
13 804797T06 *** *Двигательный блок в сборе (PH 4-6 4S)

Под заказ

1

Под заказ

уточнить

Купить

Нулевая цена не означает отсутствие товара. Оформите заказ, и менеджер сообщит вам цену и наличие товара, предварительно запросив их у поставщика

Главная Магазины
Корзина0
Профиль