Мы используем cookie для наилучшего представления нашего сайта. Подробнее об этом в Политике конфиденциальности.
Ок

Комсомольск-на-Амуре

Ваш город:
Комсомольск-на-Амуре (Хабаровский край)?
Нет
Да
Каталог
Каталог Написать в WhatsApp
Мотоэкипировка

Блок цилиндров 4-Х ТАКТНОГО ПЛМ MERCURY 4 Серийный номер от 0P401000 и выше

Блок цилиндров 4-Х ТАКТНОГО ПЛМ MERCURY 4 Серийный номер от 0P401000 и выше в Комсомольске-на-Амуре: актуальный каталог, цены, фото, описание. Купите блок цилиндров 4-х тактного плм mercury 4 серийный номер от 0p401000 и выше в кредит – оформите заявку онлайн за 1 минуту!

Оригинальные запчасти

Артикул НАИМЕНОВАНИЕ Кол-во деталей в узле Примечание Наличие Цена Аналоги Фото
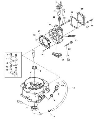
1 815013T10 CYLINDER BLOCK ASSEMBLY

Под заказ

1

Под заказ

уточнить

Купить
2 8M0071347 Фитинг (FITTING)

Под заказ

1

Под заказ

уточнить

Купить
3 898101285 Сальник (OIL SEAL)

Под заказ

1

Под заказ

уточнить

Купить
4 161324 Подшипник (BEARING)

Под заказ

1

Под заказ

уточнить

Купить
5 803512 Щуп (CAP-FILLER)

Под заказ

1

Под заказ

уточнить

Купить
6 803513 Резиновое уплотнение (O RING)

Под заказ

1

Под заказ

уточнить

Купить
7 803511002 COVER, Breather

Под заказ

1

Под заказ

уточнить

Купить
8 803508021 GASKET

Под заказ

1

Под заказ

уточнить

Купить
9 8230319 BOLT

Под заказ

2

Под заказ

уточнить

Купить
10 804369 BREATHER TUBE

Под заказ

2

Под заказ

уточнить

Купить
11 804370 WASHER

Под заказ

2

Под заказ

уточнить

Купить
12 952235 TUBING

Под заказ

1

Под заказ

уточнить

Купить
13 952245 CLAMP

Под заказ

2

Под заказ

уточнить

Купить
14 8M0119549 HEAD-CYLINDER

Под заказ

1

Под заказ

уточнить

Купить
15 803508 Прокладка (GASKET)

Под заказ

1

Под заказ

уточнить

Купить
16 803508012 Прокладка (+TH 3H6-02306-0D0)

Под заказ

1

Под заказ

уточнить

Купить
17 853705006 CAP, Thermostat

Под заказ

1

Под заказ

уточнить

Купить
18 853702005 Прокладка (+TH 346-01032-0D0)

Под заказ

1

Под заказ

уточнить

Купить
19 804540 Термостат (THERMOSTAT)

Под заказ

1

Под заказ

уточнить

Купить
20 803509 BOLT, (M8 x 90)

Под заказ

2

Под заказ

уточнить

Купить
21 8035091 BOLT, (M8 x 60)

Под заказ

2

Под заказ

уточнить

Купить
22 803507 Свеча зажигания (PLUG DCPR6E @10)

Под заказ

1

Под заказ

уточнить

Купить
23 803510 COVER

Под заказ

1

Под заказ

уточнить

Купить
24 8035082 Прокладка (GASKET)

Под заказ

1

Под заказ

уточнить

Купить
25 8M0101710 Прокладка (GASKET SET)

Под заказ

1

Под заказ

уточнить

Купить
26 804797T06 *** *Двигательный блок в сборе (PH 4-6 4S)

Под заказ

1

Под заказ

уточнить

Купить

Нулевая цена не означает отсутствие товара. Оформите заказ, и менеджер сообщит вам цену и наличие товара, предварительно запросив их у поставщика

Главная Магазины
Корзина0
Профиль