Мы используем cookie для наилучшего представления нашего сайта. Подробнее об этом в Политике конфиденциальности.
Ок

Комсомольск-на-Амуре

Ваш город:
Комсомольск-на-Амуре (Хабаровский край)?
Нет
Да
Каталог
Каталог Написать в WhatsApp
Мотоэкипировка

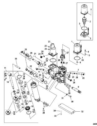
Компоненты гидроподъема 4-Х ТАКТНОГО ПЛМ MERCURY 135 Серийный номер от 0P419487 до 0P464487

Компоненты гидроподъема 4-Х ТАКТНОГО ПЛМ MERCURY 135 Серийный номер от 0P419487 до 0P464487 в Комсомольске-на-Амуре: актуальный каталог, цены, фото, описание. Купите компоненты гидроподъема 4-х тактного плм mercury 135 серийный номер от 0p419487 до 0p464487 в кредит – оформите заявку онлайн за 1 минуту!

Оригинальные запчасти

Артикул НАИМЕНОВАНИЕ Кол-во деталей в узле Примечание Наличие Цена Аналоги Фото
1 855998A11 POWER TRIM KIT

Под заказ

1

Под заказ

уточнить

Купить
2 878265A4 Электродвигатель гидроподъема(MOTOR KIT-TRIM )

Под заказ

1

Под заказ

уточнить

Купить
3 82494830 SCREW, (M6 x 30)

Под заказ

2

Под заказ

уточнить

Купить
4 8782451 DRIVESHAFT

Под заказ

1

Под заказ

уточнить

Купить
5 878410A1 PO CHECK KIT

Под заказ

1

Под заказ

уточнить

Купить
6 893929A01 Клапан (VALVE KIT-RELIEF)

Под заказ

1

Под заказ

уточнить

Купить
7 8M0142997 SHAFT KIT

Под заказ

1

Под заказ

уточнить

Купить
8 878267 PIN, Groove

Под заказ

1

Под заказ

уточнить

Купить
9 8M0142998 CYLINDER KIT TILT

Под заказ

1

Под заказ

уточнить

Купить
10 878239A02 END CAP KIT

Под заказ

1

Под заказ

уточнить

Купить
11 8M0142999 ORING TILT CYL

Под заказ

1

Под заказ

уточнить

Купить
12 878242A02 PISTON MEMORY KIT

Под заказ

1

Под заказ

уточнить

Купить
13 878406A02 REPAIR KIT

Под заказ

1

Под заказ

уточнить

Купить
14 878414T01 TRIM ROD KIT-STBD

Под заказ

1

Под заказ

уточнить

Купить
15 878413A1 PISTON/ROD ASSEMBLY

Под заказ

1

Под заказ

уточнить

Купить
16 8M0021648 END CAP ASSY

Под заказ

2

Под заказ

уточнить

Купить
17 878264A1 Крышка (COVER KT-RESERVOI)

Под заказ

1

Под заказ

уточнить

Купить
18 811613 Пробка (PLUG ASSY)

Под заказ

1

Под заказ

уточнить

Купить
19 892251A01 PUMP KIT

Под заказ

1

Под заказ

уточнить

Купить
20 878408A1 Набор уплотнительных колец (O RING KIT)

Под заказ

1

Под заказ

уточнить

Купить
21 821539 Шпонка (PIN-TRILOBE)

Под заказ

1

Под заказ

уточнить

Купить
22 858771 Болт М10х30 (SCREW)

Под заказ

6

Под заказ

уточнить

Купить
23 4002319 Шайба (WASHER@3)

Под заказ

6

Под заказ

уточнить

Купить
24 818298Q1 Комплект анодов (ANODE KIT)

Под заказ

1

Под заказ

уточнить

Купить
25 4000330 Болт (SCREW @5)

Под заказ

2

Под заказ

уточнить

Купить
26 29245 Шайба (WASHER @10)

Под заказ

2

Под заказ

уточнить

Купить
27 99625003 SHAFT, Upper Tilt

Под заказ

1

Под заказ

уточнить

Купить

Нулевая цена не означает отсутствие товара. Оформите заказ, и менеджер сообщит вам цену и наличие товара, предварительно запросив их у поставщика

Главная Магазины
Корзина0
Профиль