Мы используем cookie для наилучшего представления нашего сайта. Подробнее об этом в Политике конфиденциальности.
Ок

Комсомольск-на-Амуре

Ваш город:
Комсомольск-на-Амуре (Хабаровский край)?
Нет
Да
Каталог
Каталог Написать в WhatsApp
Мотоэкипировка

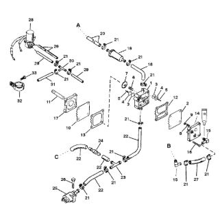
Топливный насос (50/60) 2-Х ТАКТНОГО ПЛМ MERCURY 50EO Серийный номер от 0G290585 до 0G589999

Топливный насос (50/60) 2-Х ТАКТНОГО ПЛМ MERCURY 50EO Серийный номер от 0G290585 до 0G589999 в Комсомольске-на-Амуре: актуальный каталог, цены, фото, описание. Купите топливный насос (50/60) 2-х тактного плм mercury 50eo серийный номер от 0g290585 до 0g589999 в кредит – оформите заявку онлайн за 1 минуту!

Оригинальные запчасти

Артикул НАИМЕНОВАНИЕ Кол-во деталей в узле Примечание Наличие Цена Аналоги Фото
1 14360A78 Топливный насос (PUMP KIT-FUEL)

Под заказ

1

Под заказ

уточнить

Купить
2 857005A1 Ремкомплект бензонасоса Mercury - DIAPHRAM KIT QUICKSILVER

Под заказ

1

Под заказ

уточнить

4 820

Купить
3 987691 Прокладка (GASKET)

Под заказ

1

Под заказ

уточнить

Купить
4 987752 PLATE

Под заказ

1

Под заказ

уточнить

Купить
5 433351 Коннектор (CONNECTOR)

Под заказ

2

Под заказ

уточнить

Купить
6 82104540 SCREW-FUEL PUMP (M5 X 40)

Под заказ

2

Под заказ

уточнить

Купить
7 82130050 SCREW-PUMP TO BLOCK (M6 X 50)

Под заказ

2

Под заказ

уточнить

Купить
8 144303 BASE, FUEL PUMP

Под заказ

1

Под заказ

уточнить

Купить
9 830767 HOSE

Под заказ

1

Под заказ

уточнить

Купить
10 816296Q2 Топливный фильтр (FILTER-FUEL @3)

Под заказ

1

Под заказ

уточнить

Купить
11 830761 FUEL LINE

Под заказ

1

Под заказ

уточнить

Купить
12 8M0108349 Шланг (HOSE-70 INCH)

Под заказ

3

Под заказ

уточнить

Купить
13 818993 Коннектор (TEE)

Под заказ

1

Под заказ

уточнить

Купить
14 8189941 Обратный клапан (VALVE-CHECK)

Под заказ

1

Под заказ

уточнить

Купить
15 816856T01 Топливный коннектор (CONNECTOR-FUEL)

Под заказ

1

Под заказ

уточнить

Купить
16 4000332 SCREW, ADAPTOR TO BOTTOM COWL (35MM)

Под заказ

1

Под заказ

уточнить

Купить
17 9912878 Шланг (TUBING (1-1/2 IN.))

Под заказ

1

Под заказ

уточнить

Купить
18 819503A5 Клапан соленоид (SOLENOID KIT)

Под заказ

1

Под заказ

уточнить

Купить
19 9912688 Топливная трубка (TUBING-36 INCH)

Под заказ

3

Под заказ

уточнить

Купить
20 59169003 Тройник (FITTING @2)

Под заказ

1

Под заказ

уточнить

Купить
21 892024122 Шланг обратного клапана (TUBING-20 FEET)

Под заказ

1

Под заказ

уточнить

Купить
22 633001 CLAMP, ENRICHNER VALVE

Под заказ

1

Под заказ

уточнить

Купить
23 4006731 Болт (SCREW)

Под заказ

1

Под заказ

уточнить

Купить
24 812867A97 Набор прокладок (GASKET SET)

Под заказ

1

Под заказ

уточнить

Купить
25 811209T93 POWERHEAD ASSEMBLY COMPLETE (ALL)

Под заказ

1

Под заказ

уточнить

Купить

Нулевая цена не означает отсутствие товара. Оформите заказ, и менеджер сообщит вам цену и наличие товара, предварительно запросив их у поставщика

Главная Магазины
Корзина0
Профиль