Мы используем cookie для наилучшего представления нашего сайта. Подробнее об этом в Политике конфиденциальности.
Ок

Комсомольск-на-Амуре

Ваш город:
Комсомольск-на-Амуре (Хабаровский край)?
Нет
Да
Каталог
Каталог Написать в WhatsApp
Мотоэкипировка

Корпус редуктора (опорный вал)(60 SEA/MARA/BIG FOOT, 3 JAW REV. CLUTCH 2-Х ТАКТНОГО ПЛМ MERCURY 50EO Серийный номер от 0G290585 до 0G589999

Корпус редуктора (опорный вал)(60 SEA/MARA/BIG FOOT, 3 JAW REV. CLUTCH 2-Х ТАКТНОГО ПЛМ MERCURY 50EO Серийный номер от 0G290585 до 0G589999 в Комсомольске-на-Амуре: актуальный каталог, цены, фото, описание. Купите корпус редуктора (опорный вал)(60 sea/mara/big foot, 3 jaw rev. clutch 2-х тактного плм mercury 50eo серийный номер от 0g290585 до 0g589999 в кредит – оформите заявку онлайн за 1 минуту!

Оригинальные запчасти

Артикул НАИМЕНОВАНИЕ Кол-во деталей в узле Примечание Наличие Цена Аналоги Фото
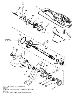
1 9011G92 GEAR HOUSING (Complete)

Под заказ

1

Под заказ

уточнить

Купить
2 9011G94 GEAR HOUSING (Complete)

Под заказ

1

Под заказ

уточнить

Купить
3 9011G96 ORD 1667-9011G92

Под заказ

1

Под заказ

уточнить

Купить
4 9011G48 GEAR HOUSING

Под заказ

1

Под заказ

уточнить

Купить
5 9011T73 GEAR HSG-BASIC-BL

Под заказ

1

Под заказ

уточнить

Купить
6 9011T74 ORD 1667-9011T73

Под заказ

1

Под заказ

уточнить

Купить
7 30894A1 Роликовый подшипник (BEARING SET)

Под заказ

1

Под заказ

уточнить

Купить
8 12634A2*** Шестерня переднего хода (GEAR ASSY-FORWARD)

Под заказ

1

Под заказ

уточнить

Купить
9 30895T Подшипник (BEARING)

Под заказ

1

Под заказ

уточнить

Купить
10 850315A1 Копир кулачка (FOLLOWER KIT-CAM)

Под заказ

1

Под заказ

уточнить

Купить
11 44530 Шарик (BALL)

Под заказ

3

Под заказ

уточнить

Купить
12 30622 SPRING, COMPRESSION - CAM FOLLOWER

Под заказ

1

Под заказ

уточнить

Купить
13 822539T Муфта переключения передач (CLUTCH)

Под заказ

1

Под заказ

уточнить

Купить
14 8M0100263 PIN @3

Под заказ

1

Под заказ

уточнить

Купить
15 30893 Пружина (SPRING @2)

Под заказ

1

Под заказ

уточнить

Купить
16 12238T PROPELLER SHAFT

Под заказ

1

Под заказ

уточнить

Купить
17 12635T Шестерня заднего хода (GEAR-REVERSE)

Под заказ

1

Под заказ

уточнить

Купить
18 12596T2 Корпус подшипника (CARRIER ASSY-BRG)

Под заказ

1

Под заказ

уточнить

Купить
19 861844 Уплотнительное кольцо (O RING)

Под заказ

1

Под заказ

уточнить

Купить
20 30956T Подшипник (BEARING)

Под заказ

1

Под заказ

уточнить

Купить
21 76868 Сальник (SEAL @5 )

Под заказ

1

Под заказ

уточнить

Купить
22 70081 Сальник (SEAL)

Под заказ

1

Под заказ

уточнить

Купить
23 12578T Подшипник роликовый (BEARING)

Под заказ

1

Под заказ

уточнить

Купить
24 12577 Шайба (WASHER)

Под заказ

1

Под заказ

уточнить

Купить
25 12576 Шарикоподшипник (BEARING)

Под заказ

1

Под заказ

уточнить

Купить
26 8M0034456 Шпилька M8x1.25x48 (STUD)

Под заказ

2

Под заказ

уточнить

Купить
27 8M0042642 WASHER @5

Под заказ

2

Под заказ

уточнить

Купить
28 401378 NUT, (M8)

Под заказ

2

Под заказ

уточнить

Купить
29 44491A1 Регулировочные кольца (shim set)

Под заказ

1

Под заказ

уточнить

Купить
30 13191Q01 Упорная шайба (THRUSTWASHER@2)

Под заказ

1

Под заказ

уточнить

Купить
31 52707Q1 Гайка крепления гребного винта (PROP NUT KIT@2)

Под заказ

1

Под заказ

уточнить

Купить
32 816629Q Шайба (TAB WASHER)

Под заказ

1

Под заказ

уточнить

Купить
33 43035A4 Набор сальников (SEAL KIT)

Под заказ

1

Под заказ

уточнить

Купить

Нулевая цена не означает отсутствие товара. Оформите заказ, и менеджер сообщит вам цену и наличие товара, предварительно запросив их у поставщика

Главная Магазины
Корзина0
Профиль